换流变压器是直流输电工程中最重要的主设备之一,其成本占整个工程的1/5多。我国拥有世界电压等级最高的±1100千伏特高压直流输电工程,在工程两端的换流站中,分别布置有28台换流变压器。

一般变电站布置几台甚至十几台变压器,为何特高压换流站布置有这么多台换流变压器?
特高压输电具有远距离、大容量、低损耗、少占地的综合优势。世界首个±1100千伏特高压直流输电工程由我国自主设计建设的昌吉—古泉±1100千伏特高压工程,该工程2019年9月投运,起于新疆昌吉换流站、止于安徽宣城市古泉换流站,途经甘肃、宁夏、陕西、河南。

昌吉—古泉±1100千伏特高压工程线路全长约3300千米,额定电压±1100千伏,输电容量1200万千瓦,是目前世界上电压等级最高、输送容量最大、输电距离最远、技术水平最先进的输电工程。
±1100千伏特高压直流输电首次实现了在3000~5000千米范围内输送千万千瓦级电力的能力,是国际高压输电领域的重大技术跨越和重要里程碑。一个±1100千伏直流工程的输电能力即可满足我国一个中等发达省份一半左右的用电需求。

换流变压器只是用来变换电压数值大小,并不改变电压交流或直流属性。
换流变压器作为直流输电工程中最重要的主设备之一,其技术参数、设计制造运输、绝缘水平是影响直流工程建设的最重要的因素。
每种换流站主接线对应的换流变压器的技术参数、绝缘水平都不尽相同,由此导致的换流变的设计制造成本、运输成本、备品备件、安全可靠性都有所区别。

±1100千伏昌吉换流站和±1100千伏古泉换流站是特高压昌吉—古泉±1100千伏特高压直流输电工程的送端换流站和受端换流站,共同支撑起世界上直流输送容量最大、电压等级最高、输送距离最远、技术水平最高的“四最”工程。
±1100千伏昌吉换流站的换流变压器电网侧接入的电压为750千伏。±1100千伏古泉换流站的换流变压器则采用分层接入方案:低端换流变压器网侧电压1000千伏,高端换流变压器网侧电压500千伏。

换流站配置多少台换流变压器谁说了算?主要还是由换流站的电气主接线形式决定。
目前我国换流站的电气主接线形式主要为典型的双12 脉动串联方案,在我国的±800千伏特高压直流工程中基本全部采用此方案。
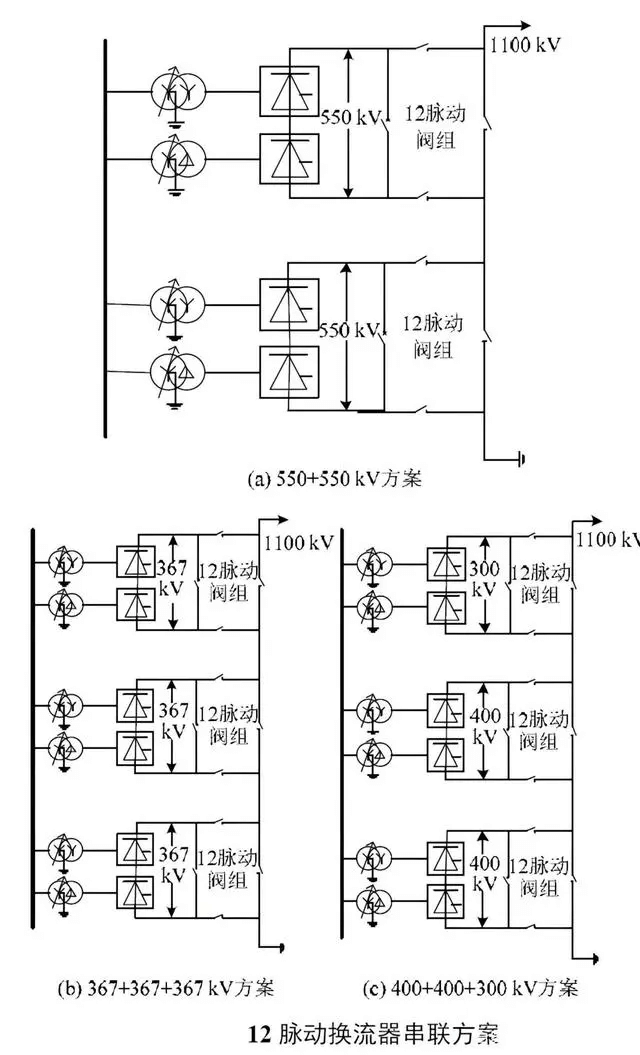
±1100千伏特高压直流换流站由于电压等级的特殊性,最开始出现了三种电气主接线方案。

第一种方案就是采用双12脉动串联方案,每个单12 脉动电压相同均为550千伏,除此以外,运行方式、换流站布置等与传统±800 kV 完全相同,需要24台换流变压器。
第二种方案是3个12脉动均分方案,与传统±800千伏直流工程相比,每个12 脉动的电压略低于400千伏,但3 个12 脉动电压完全相同(对地电压不同),运行方式更加灵活,任意1 个和2 个12 脉动可组合运行,但换流变压器数量多了1/2,需要36台换流变压器。

第三种方案是采用3 个12 脉动方案,下面2 个12 脉动方案完全与常规±800 kV 一致,最高电压12 脉动方案电压仅为300 kV,此方案优点是下面2 个12 脉动可以完全借鉴常规±800千伏的设备和运行经验,且最上12 脉动电压低于±400千伏,设备容量和端子间绝缘水平相对降低,这样制造难度大为降低,但是同样需要36台换流变压器。
电气主接线方案选择需要综合考虑经济性和安全性等因素。
特高压换流变压器均采用单相双绕组型式。其中高端换流变压器总重约可达900吨,低端换流变压器可达850吨。特高压换流变压器制造一台成本接近8000万,运输一台成本也要100万。

从制造和运输难度来看,双12脉动主接线难度较大,但运行维护备品备件其他方面和技术经济以及绝缘水平,都相对有利。

因此,考虑到制造成本、绝缘水平、运输成本以及后期改造和检修运维成本等因素,最后选择了双12脉动的接线方案。

最终,±1100千伏昌吉换流站全站共配置24 台运行相换流变压器,4台备用相。同样,±1100千伏古泉换流站全站24 台运行相换流变压器,4台备用相,其中12 台高端换流变压器,单台容量达到587. 1兆伏安。

由此来看,±1100千伏特高压直流输电也只是技术上的过渡和积累,一旦±800千伏和±1100千伏技术成熟,±1650千伏特高压直流输电最终会很快到来!




















